1.1 三极管简介
三极管,全称为半导体三极管,也称双极型晶体管、晶体三极管,是一种电流控制电流的半导体器件,其作用是把基极电流的微小变化去控制集电极电流的巨大变化, 也用作无触点开关。单片机应用电路中三极管主要的作用就是开关作用。
1.2 三极管的分类
1、按材质分: 硅管(导通压降0.7V)、锗管(导通压降0.3V)。
2、按结构分: NPN 、 PNP。
3、按功能分: 开关管、功率管、达林顿管、光敏管。
达林顿管:又叫复合管,将两个三极管串联,以组成一只等效的新的三极管。接法总共有4种:NPN+NPN、NPN+PNP、PNP+PNP、PNP+NPN。
4、按功率分:小功率管(<500mW)、中功率管(500mW~1W)、大功率管(>1W)。
5、按工作频率分:低频管(小于3Mhz)、高频管(3-30Mhz)、超频管(30-500Mhz)。
6、按封装分:插件三极管、贴片三极管。
1.3 三极管的厂家
长电、美台、强茂、先科等等。
1.4 三极管的常用型号
三极管常用的型号有MMBTxxxx(单管)、MMDTxxxx(2合1三极管)、SS/Sxxxx(SS是原装进口,S是国产)、2Nxxxx。
单管:MMBT3904/3906(3904是NPN管,3906是PNP管)、8050/8550(8050是NPN管,8550是PNP管)、9013/9014(都是NPN管)、MMBT5551/5401、MMBT2222A、D882、BCX56。
2合1三极管:MMDT5551/5401、MMDT2227。
拓展1:如何看贴片三极管的型号?
由于贴片三极管的体积很小,无法标注完整型号,故不少厂家都采用丝印来表示贴片三极管的型号。

封装丝印对应的型号如下表所示。

拓展2:三极管封装管脚排序与原理图器件管脚应该如何对应呢?
在制作封装时,经常会碰到要进行封装管脚匹配,特别是3极管类型封装,特别容易将管脚排序做错。以下给大家介绍三极管管脚排序的方法:
第一步,打开原理图,找到对应的器件,查看器件的管脚排序,如下图,分析图示可知,1脚为E极,2脚为B极,3脚为C极,如下图所示。

第二步,打开器件Datasheet,查看Datasheet中3极管的管脚分布及其管脚所对应的信号,根据图示可知,1脚为B极,2脚为E极,3脚为C极,如下图所示。

第三步,根据Datasheet制作封装,并进行管脚匹配,如下图所示。

1.5 三极管的内部结构

左图是NPN型,右图是PNP型。
1.6 三极管的电路符号及等效示意图
三极管的电路符号如下:


三极管的等效示意图如下:

1.7 用阀门开关控制水管的例子来理解三极管的工作原理
以NPN管子为例,将三极管看成是一个水管,电流假设为水流。水管有两个阀门,一个大阀门(绿线),一个小阀门(蓝线)。由于大阀门需要很大的力量能打开,所以不能够直接打开。打开小阀门需要B端有一定的水压(压降达到0.7V),此时水流IB可以推开小阀门,小阀门被推开后,通过联动装置(图中的黄线)可以开启大阀门。此时IB端没有水流,因此小阀门没有被开启,是截止状态。

当B端有一定水压(相当于达到了管压降)时,IB端有水流把小阀门推开了,此时有少量水流(基极电流)流过小阀门进入到管子里,小阀门的开启会通过联动装置导致大阀门(集电极)被打开,IC水流(集电极电流)就流出来了。

如下图所示,随着IB端的水流越大,小阀门被推开得越大,因此大阀门也会开得越大。

当IB端的水流继续加大,此时小阀门还没完全打开时大阀门已经完全打开了,说明流过IC端的水流已经饱和了,之后即使增大IB端的水流,对IC端的水流没有什么影响了。
IC和IB的水流最终都流向了IE。

同理举一下PNP例子,当IB端的水压低于IE端时(压降达到了0.7V),此时IE端的水流会把小阀门推开,此时通过联动装置大阀门也会开启。IE的水流一部分流向了IB,一部分流向了IC。
1.8 三极管的Datasheet手册

1.8.1 击穿电压VCBO、VCEO、VEBO
VCBO:发射极开路,集电极、基极的击穿电压。
VCEO:基极开路,集电极、发射极的击穿电压。
VEBO:集电极开路,发射极、基极的击穿电压。



1.8.2 耗散功率和结温热阻
Pc:最大耗散功率,是指三极管在长时间工作状态下所能承受的最大功率,一般用瓦特(W)来表示。如果超过最大耗散功率,则可能会导致三极管灼烧,甚至损坏。因此,选择三极管时要注意其最大耗散功率。
如下图所示,当环境温度超过25℃时,三极管的耗散功率随着环境温度升高而降低。

ROJA:结温热阻。
Tj:结温。半导体中PN结的温度,描述半导体器件工作时的热特性,不能超过该最大温度,否则会坏。
功率要与热阻结合起来才对设计工程师更有意义。
假设当前三极管的功耗为0.1W,通过热阻可以计算出三极管的结温:
Tj=TA+ROJA*PD=25+833*0.1=108.3℃,108.3℃ <150℃,因此管子没坏。
三极管在什么情况下会坏?
- 电压值超过Vcbo、Vceo、Vebo;2、管子结温过高;3、工作功率超过耗散功率。

1.8.3 反向截止电流
Icex:基极接地,集电极与发射极间加指定偏压,在规定的反向偏压VCE下,集电极与发射极之间的反向截止电流。
Icbo:基极接地,发射极对地开路,在规定的VCB反向电压条件下的集电极与基极之间的反向截止电流。
Iebo:基极接地,集电极对地开路,在规定的反向电压VEB条件下,发射极与基极之间的反向截止电流。



1.8.4 增益系数hFE

增益系数HFE其实就是放大倍数β,HFE的变化是跟随IC变化的,IC在0.1mA~10mA时,HFE变化很小,IC>10mA时。HFE变化非常大。如果想工作在放大状态,需要考虑放大倍数问题,放大倍数过大,容易导致波形失真。
β随着温度的升高而增大,Ib不变时Ic就会增大。

1.8.5 特征频率
![]()
fT:特征频率,表征晶体管在高频放大能力的一个基本参量,其电流放大系数β下降到1时的频率。晶体管的放大系数和工作频率有关。F>fT时三极管失去电流放大能力,电路将不能工作。
1.8.6 饱和电压

VCE(sat)是三极管集电极与发射极之间的饱和电压,saturation为饱和的意思。
VBE(sat)是三极管基极与发射极之间的饱和电压。
当三极管饱和导通之后,VCE(sat)两端电压会随着Ic电流的增大有轻微的增大,最大增大到0.3V;VBE(sat)两端电压也会随着Ib电流的增大有轻微的增大,最大增大到0.95V。

1.8.7 结电容
三极管由于内部有PN结,因此存在结电容,总共有3个结电容。
Cib:输入电容;Cob:输出电容;C?(手册没提,忽略)。
1.8.8 开关速度

开关时间总共分为如下四个:延时时间Td、上升时间Tr、下降时间Tf、保持时间Ts。
延时时间Td:主要是对发射结和集电结势垒电容充电所需要的时间;
上升时间Tr:从截止达到临界饱和需要的时间;
保持时间Ts:从饱和导通状态退出到临界饱和状态所需要的时间,也就是从过饱和状态(集电结正偏的状态)退出到临界饱和状态(集电结0偏的状态)所需要的时间;
下降时间Tf:从临界饱和退出到截止的时间。

以上4个参数称为BJT的开关时间参数。
通常把ton = td + tr,称为开通时间,它反映了BJT从截止到饱和所需的时间;把 toff= ts+ tf称为关闭时间,它反映了BJT从饱和到截止所需的时间。
开通时间和关闭时间总称为BJT的开关时间,它随管子类型不同而有很大差别,一般在几十至几百纳秒的范围,可以从器件手册中查到。
加快三极管开关速度的方法有哪些?
- 减小发射结和集电极面积 以减小结电容;
- 减小基极反向偏压的大小,使发射结尽快能够进行正偏
- 增大基极电流,从而增加对电容充电的速度(但饱和深度会增加)。
结电容虽然影响着三极管开关速度,但结电容的存在可以在一定程度上起到滤波的作用。
那么,如何在不更换三极管的情况下提高三极管的开高速度呢?
如下图所示,在RB电阻上并联一个电容,可以加快三极管导通的速度。当有Vin电压的瞬间,电容可以看成短路,于是Ib一瞬间很大,可以加快结电容的充电速度,增加开关速度;接着当没有Vin时,电容此时是左+右-的,电容由于自身电压不能突变,因此电容右边会产生一个负压,而且此时E极是GND,发射结此时反偏,三极管很快就关断。

1.9 三极管的三种状态
一、截止状态:三极管未导通/发射结反偏。
二、放大状态:发射结正偏,集电结反偏。lc=β*Ib。
三、饱和导通状态:发射结正偏,集电结正偏。Ic不受Ib控制。

三极管工作在什么工作状态是由什么决定的呢?
是由基极电流(Ib)来决定的。
如果ib=0,则三极管工作在截止区;
如果0<Ib*β<饱和电流,则三极管工作在放大区;
如果Ib*β>饱和电流,则三极管工作在饱和区。
当处于饱和状态时,Ic不受Ib控制,那么Ic受C端上的负载控制。
如下图所示,假设10V上串联一个1K的电阻,当工作在饱和区时,Ic为10mA,Ic称为饱和电流,此时Ib应该至少给多少值才能让三极管进入临界导通状态呢?


假设β为200,因为饱和电流Ic为10mA,因此饱和电流Ib=Ic/β=10mA/200=50uA。也就是当Ib为50uA时,三极管进入临界饱和导通状态。假设此时Ib为1mA,那么1mA*200>10mA(饱和电流Ic),三极管工作在饱和导通状态,并且此时三极管深度饱和。
什么是饱和导通深度呢?
饱和导通深度:由于Ic增大到一定程度时,HFE会减小,可能导致三极管原本是进入饱和导通状态的(Ib*HFE>Ic(max)),现在进入了放大状态(Ib*HFE<Ic(max))。所以我们应该让三极管进入深度饱和,增大Ib电流,使得Ib*HFE>>Ic(max)。

饱和的条件是什么?
- 集电极和电源之间有电阻存在,且越大就越容易让管子饱和;
- 基极电流比较大以使集电极的电阻把集电极的电源拉得很低,从而出现b较c电压高。
影响饱和的元素有哪些呢?
1、集电极电阻越大越容易饱和;
2、管子的放大倍数越大越容易饱和;
3、基极电流的大小。
饱和后的现象是什么呢?
- 基极电压大于集电极电压;
- 集电极电压为0.2V左右,基极电压为0.7V左右(假设e极接地)。
1.10 三极管的放大作用
1.10.1 三极管的输出特性曲线
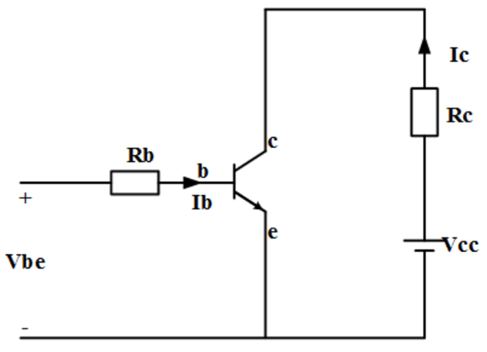
为便于描述,画出三极管放大电路示意图如下图所示

从示意图可以得到,相关物理量满足公式:Ic=(Vcc-Vce)/Rc。
当Vcc与Rc不变时,集电极电流越大,集电极与发射极之间的压降越小。
输出特性曲线如下图所示,三极管的输出特性是指在基极电流iB大小一定时,输出电压UCE与输出电流iC之间的关系。

截止区特点: iC接近零的区域,相当iB=0的曲线的下方。该区域内UBE<0.5V(硅管),此时发射结反偏,集电结反偏.
放大区特点: iC平行于UCE轴的区域,曲线基本平行等距。此时,发射结正偏,集电结反偏电压大于0.7 V左右(硅管)
饱和区特点: iC受UCE显著控制的区域该区域内UCE的数值较小,一般UCE<0.7 V(硅管)此时发射结正偏,集电结正偏.
手册的图形如下图所示。

1.10.2 三极管的输入特性曲线

输入特性曲线是指当集电极一射极电压UCE为常数时,基极电流iB与基极一射极电压UBE之间的关系曲线,如图2所示,即: 输入特性曲线iB=f(UBE)UCE常数
由于三极管的发射结是一个PN结,且正向连接,所以三极管的输入特性曲线与二极管的正向特性曲线是一样的,其输入持性曲线的特点是(2) 死区特点: 当UBE<开启电压0.5V时 (即硅晶体管UBE值的开启电压0.5V,锗三极管UBE值的开启电压0.2V),称为三极管的“死区”,由于UBE很小,此时基极电流iB为0,三极管处于截止状态。
非线性区特点: 当UBE>开启电压0.5V时(即对于硅晶体管UBE值的导通电压为0.6V,锗三极管UBE值的导通电压为0.3V) ,基极电流iB开始增大,三极管开始导通。UBE与iB成非线性关系

由图可知,当三极管的集电极电流在0.1mA~10mA之间时,hFE才会处于一个稳定的值,我们若是想对三极管进行放大,应该控制Ic电流在这个区间内。当温度由25℃变成到100℃,hFE会由175变成250。
1.10.3 三极管放大电路的静态工作点Q
三极管的工作状态由基极电流决定,影响基级电流的最重要因素就是静态工作点。
在放大电路中,当有信号输入时,交流量与直流量共存。三极管静态工作点就是当交流输入信号为零时,电路处于直流工作状态,这些电流、电压的数值可用 BJT 特性曲线上一个确定的点表示,该点习惯上称为静态工作点Q。至于为什么叫静态,是因为此时三极管工作状态是在直流的情况下确定的,如果电路不变,则工作点不会发生变化。
如下图所示,就是一个最简单的三极管放大电路。

当ui没有输入交流信号时,B点就只有直流分量,电路中只有两条回路,一条是VCC通过Rb以及三极管的发射结到地的输入回路,另一条是VCC通过RC以及集电极到发射极后到地的输出回路。

静态工作点(IBQ,VBEQ):最左边的输入回路的管外电路的回路方程与BJT输入特性曲线的交点。
静态工作点(ICQ,VCEQ):最右边的输出回路管外电路的回路方程(直流负载线)与IB=IBQ的那条输出特性曲线的交点。
1.10.4 动态工作的图解分析

输入电压信号ui通过电容C1(这里电容的作用是隔直通交,也就是外部的直流电压将不会输入,也就是不会影响到三极管的工作点)耦合叠加在三极管基极,因此三极管基极电位将随之发生变化。
如果ui是一个正弦交流信号,即ui=Uimsinωt,则基极电位uBE=UBEQ+ Uimsinωt。也即是基极电位将会随着ui变化而变化。
根据如下的变化过程,可以逐一得到放大器输出的电压和电流

假设输入信号为一个正弦波信号,当输入信号的电压幅度最高时,ib的电流也最大,R上的压降也最大,CE之间的电压也越低。因此VCC的存在,实现了电压的放大,但变化方向相反,相差180°(输入电压最大,输出电压最小)。
如果ib过大或过小,B变小,将导致信号失真,因此我们希望B是个常数
假设没有输入交流信号(即静态)下,流入的直流电流,称为Q点,也就是静态工作点。设置静态工作点的目的是为了让输入信号在静态工作点上下波动。
1.10.5 饱和失真和截止失真
当静态工作点接近饱和区,出现的失真叫饱和失真。
当ui正向变大时,uBE也随之变大,因此基极电流iB增加,集电极电流iC增大,对应的三极管输出特性曲线将上移,因此对应的实际工作点也将上移。
如果ui正向幅值过大,则此时工作点会进入饱和区,导致输出信号uCE波形变形(NPN三极管对应的是负半周波形,PNP反之),称之为“饱和失真”,如下图所示。

当ui极性为负,不断变小时,uBE也随之变小,因此基极电流iB减少,集电极电流iC变小,对应的三极管输出特性曲线将下移,因此对应的实际工作点也将下移。
如果ui负向幅值过大,则工作点会进入截止区,导致输出信号uCE波形变形(NPN三极管对应的是正半周波形,PNP反之),称之为“截止失真”,如下图所示。

1.11 三极管的开关作用
三极管当做开关来使用时,是利用了其要么工作在饱和区(导通),要么工作在截止区(不导通),总之就是不能工作在放大区。如果工作在放大区,那么Vce的电压就很难确定了。如果我们想利用三极管的开关作用的话,应该如何保证三极管不会工作在放大状态呢?

Ic电流随着Ib的增大,Ic是慢慢增大的,当电流Ib增大到一定程度Ib0 之后,Ic就不再变化了,此时Ibo就是它的饱和电流。因为,当基极电流到达Ibo之后,无论他多么的努力,想让Ic 增大,但是Ic 就是不听使唤,这个不听使唤的时候,可以认为,三极管已经饱和了。
如下图所示这个三极管,此时处于饱和还是放大状态?假设β=100 ,对于三极管约法三章:1、Vbe=0.7V;2、Vce=0.3V(饱和导通时才是 0.3);3、β=100(为了方便交流) 那么,按照约定这个电路中的 Ib 电流应该是多大?
(5.7-Vbe)/15K=0.333mA

如果在放大区,通过Ic=β*Ib=33.3mA 。
再看一下 Ic 通路,请问,电流 Ic 最大能达到多少?我们知道,对于三极管的 Uce 电压,是不是,最低也得有0.3V压降?并且,三极管Uce 的压降最低的时候,电流Ic 是不是也就达到了最大?所以,Ic的电流,最大也就能达到(12.3-Uce)/5K=2.4mA,所以,Ic 电流最大也只能达到 2.4mA,我们就称为Ic_max=2.4mA 。 β*Ib =33.3mA 我们之前算的,β*Ib =33.3mA>Ic_max=2.4mA,既然,不是刚好等于β倍,是不是就是 Ic 没有听 Ib 的使唤?那么,这个时候,实际上就是饱和状态了,其实我们反过来 2.4mA/100=0.024mA ,即Ib为 0.024mA 的时候,三极管就其实已经处于临界饱和状态了,0.024mA 就已经是临界饱和状态了,那么0.333mA那是绝对饱和了,即深度饱和。Ic_max>Ib*β就是放大,Ic_max≤Ib*β饱和。
在大部分应用中,三极管是作为开关管使用了。
我们刚刚是不是算出,Ib电流只要达到 0.024mA以上,三极管就可以处于开关状态?那么,如果想要三极管工作在开关状态,那么Ib 电流必须大于0.024mA,如果比0.024mA 大一点点,是不是可能不太可靠?比如温度不同的时候,他的β也会变的,如果Ib电流比 0.024mA大很多呢?是不是完全可以保证三极管,肯定会饱和?就好比,Ib取5mA,是不 是,无论温度怎么变化,三极管,肯定是处于饱和状态,但如果Ib电流取这么大,也有弊端的,首先,功耗上肯定有点大了,虽然保证了饱和,但是功耗大了。
所以,我们在设计三极管的时候,我们应该选择一个适中的值。只要三极管作开关用,我们取Ib=1mA,好处是:1、完全可以保证三极管在任何苛刻的条件能饱和导通;2、功耗能接受。
我们说N管作为开关管,它的E极接地。这个电路的N管的开通和关断对前面驱动信号的幅值有没有什么要求啊?
我们看图中的A点,是不是只要A点大于0.7V就可以了,就是说,只要保证三极管的B极断开,两个电阻的分压大于0.7V就可以了,N型三极管E极接地,理论上我们是不是只保证驱动电压大于0.7V 就可以导通了。如果电阻参数不合适,我们是可以去调节参数来满足的。理论上,只要有一个大于0.7V的驱动信号,总会有一个合适的参数,能让三极管饱和导通.
输入和输出波形如下图所示。

我们约定一下,当前面的PWM输入为3.3V的时候,我们称为ON,PWM输入为0V的时候,我们称为OFF。当B极为ON的时候,是不是C极输出0.3V?那么这个0.3V我们认为是低电平了,因为一般的器件阈值,小于0.3V就关断了,也就是B极是ON的时候,C极是OFF。那么也就是输入和输出是反相的关系。

同理输入为OFF的时候,输出就是ON了。那为什么输入为OFF的时候,输出为ON,ON为什么是 12V,我们来分析下。
如下图所示,当B极为OFF的时候,三极管是关断的,当三极管Q6关闭,是不是可以说是,三极管的内阻非常大,几乎无电流通过?是不是可以理解成,一个10K与一个无穷大的电阻,来分压12V电压?那么无穷大的电阻上可以分得多少V的电压?几乎是12V。在这里我们直接认为就是12V就好了。

1.11.1 开集电路和漏极电路
OC门是针对三极管来说,OD门是针对MOS管来说。现在MOS管应用普遍,而且性能要比晶体管要好,所以很多开漏输出电路,和下面讲的推挽输出电路都用MOS管实现。由于使用MOS管的情况较多,很多时候就用"开漏输出"这个词代替了开漏输出和开集输出。

开漏(OC/OD门)输出最主要的特性就是高电平没有驱动能力,需要借助外部上拉电阻才能真正输出高电平,此时,如果在集电极或漏极上增加上拉电阻,就具备了输出高、低电平的功能,而且电平被固定的钳位在VCC或者GND。

①开漏输出的这一特性一个明显的优势就是可以很方便的调节输出的电平,因为输出电平完全由上拉电阻连接的电源电平决定。所以在需要进行电平转换的地方,非常适合使用开漏输出。
②开漏输出的这一特性另一个好处在于可以实现"线与"功能,所谓的"线与"指的是多个信号线直接连接在一起,只有当所有信号全部为高电平时,合在一起的总线为高电平;只要有任意一个或者多个信号为低电平,则总线为低电平。而推挽输出就不行,如果高电平和低电平连在一起,会出现电流倒灌,损坏器件。
1.11.2 推挽电路
推挽输出(Push-Pull Output)是由两个MOS或者三极管受到互补控制信号的控制,两个管子始终处在一个导通另一个截止的状态,如下图所示:

对于推挽输出,输出高、低电平时电流的流向如下图所示。所以相比于后面介绍的开漏输出,输出高电平时的驱动能力强很多。
拓展:为什么我们使用的推挽电路一般都是上N下P型?

先从上N下P型说起,其原理图如下:
由上图可知道,其输出信号与输入信号的相位是相同的。即输入为高电平,输出也是高电平。当输入为高电平时,Vout=Vin-0.7V;当输入为低电平时,Vout=Vin+0.7V。
根据N管的工作特点,其输出电压幅值会比输入信号的幅值低0.7V。所以上N下P型的输出幅值会受到输入信号的限制。

这也就说明该电路对输入信号的幅值具有一定的要求,否则可能会因为输入信号的幅值过低而导致后级的电平信号幅值不足。
除此之外,当输入信号的电平过低时,如果推挽电路的输出电流过大,会导致上N管发热,严重时还可能导致其损坏。如下图所示:

这个结论是存在一定的道理的,但实际中,当推挽电路在做信号控制时,其中流过的电流并不会很大,所以这种情况下,上管也不容易坏。
但如果推挽电路用于驱动负载时,此时的管子可能会流过较大电流,此时若输入信号幅度较低,则上管的发热量真的会很严重。当然,下P管同样也存在发热的隐患。所以在设计推挽电路时,必须要注意信号、电源及负载。
对于上P下N的模型,从原理图可以知道,该模型的输出与输出是反相的。即当输入为高时,输出则为低。

该电路相对于“上N下P”来说,该电路多了两个电阻,从成本上,上P下N型不具有优势。
那这两个电阻能不能去掉呢?

从上图可以看到,当将两个基极电阻去掉时,上下两个管子容易发生串通现象。这会导致管子发热而损坏。所以这两个电阻是不能够省略的。
同时,千万不要以为加了两个电阻之后就万事大吉了,其实并不是。尽管加了电阻,我们还要严格保证输入端要一直有信号且其信号的幅值不能够导致两个管子出现同时导通的情况。这也说明,在控制上,上P下N型不具备优势。
1.11.3 开漏与推挽电路的区别
1)推挽输出:可以吸电流也可以灌电流,相对于开漏,输出电平取决于IC电源。然而,一条总线上只能有一个推挽输出期间。
2)开漏输出:实现电平转换,实现”线与“逻辑(I2C等接口总线应用中),利用外电路提高驱动能力,利用上拉电阻提供高电平,显然,没有上拉电阻只能输出低电平。
3)如果你想要电平转换速度快的话,那么就选推挽(push-pull),但是缺点是功耗相对会大些。
4)如果你想要功耗低,且同时具有“线与”的功能,那么就用开漏(open-drain)的模式。



版权声明:本文内容由互联网用户自发贡献,该文观点仅代表作者本人。本站仅提供信息存储空间服务,不拥有所有权,不承担相关法律责任。如发现本站有涉嫌侵权/违法违规的内容,请联系我们,一经查实,本站将立刻删除。
如需转载请保留出处:https://51itzy.com/kjqy/120796.html