1.1系统设计思路与总体方案
通过对设计要求的分析,应用相关的数字电子电路方面的知识画出原理图,检查无误后,将原理图在EWB中仿真,验证通过无误后,可以考虑使用何种方案来实现设计电路。我们可以通过对照原理图在万能板上焊接来实现所设计的电路;也可以在PROTEL中画出原理图并布好线通过做PCB板来实现所设计的电路;还可以通过在面包板上插线来实现设计的电路。由于我们考虑到设计电路图使用的原器件太多,且芯片的引脚太密,给焊接和布线带来了一定的难度,同时由于我们还没开始电工实习,对焊接技术了解不多,并且我们模拟电子电路课程采用了万能板焊接的方案,对万能板有一定的了解,故不采用此方案。对于PCB板的方案,我们考虑到后续课程(如单片机)等课程设计均要使用到PCB板,所以这次课程设计我们采用PCB板的焊接来实现设计电路。
(1)电路总体功能、结构的分析
本电路的目标为设计一个数字式秒表,一个最简单的数字秒表由毫秒信号发生电路,分、秒、毫秒计数电路,译码显示电路组成。
数字式秒表电路系统由主体电路和扩展电路两部分组成。其中主体电路完成计数功能,控制电路完成控制的扩展功能。通过所设计电路将实现具有清零、启动、暂停、继续等控制功能的计时数字式秒表。
- 单片机相关项目
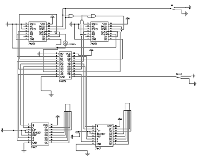
根据电路所需要达到的要求,可以将电路的总体结构框图描述(如图1.1):

讯享网
设计时各部分所用的器件名称如下:
时钟信号:由NE555P组成的多谐振荡器。
计数器:74LS290
锁存器:CT74LS373
译码器:CT74LS48
显示器:BS202
1.2总体工作过程
一、时间的计数和显示的实现
首先由毫秒信号产生电路生产毫秒信号,将此信号接到毫秒计数器的信号输入端。接着,在这个毫秒信号的驱动下,毫秒计数器向秒计数器进位,秒计数器向分计数器进位,最后通过译码器将计数器中的状态以时间的形式显示出来,这样就实现了时间的计数和显示功能。
1.3各功能块的划分和组成
一、毫秒信号产生电路
NE555定时器是一种电路结构简单、使用方便灵活、用途广泛的多功能电路。利用闭合回路的反馈作用可以产生自激振荡。TTL电路延迟时间短,难以控制频率。电路接入RC回路有助于获得较低的振荡频率,由于门电路的作用时间极短,TTL电路自有几十纳秒,所以想获得稍低一些的振荡频率式很困难的,而且频率不易调节。在电路中接入RC电路可以有助于获得较低的振荡频率,而且通过改变R,C的数值可以很容易实现对频率的调节。
二、分、秒、毫秒计数电路及译码、显示电路
这部分电路包括6个BCD七段码计数器,其中两组接成100进制,剩下一组接成60进制,及相应的译码显示器。之所以要用BCD七段码计数器,是因为分、秒、毫秒都是要用两位十进制数表示的,因而分、秒、毫秒的个位和十位所对应的计数器状态输出都应该是BCD码。又因为秒的显示方式是60进制的,故3个计数器分别要接成100、60、100进制的。
1.4芯片简介
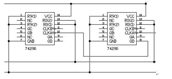
(一) 74LS290
74LS290是一种较为典型的异步十进制计数器。它由1个一位二进制和1个异步五进制计数器组成。如果计数脉冲由CLKA端输入,输出由QA端引出,即得二进制计数器;如果计数脉冲CLKB端输入,输出由QA~QD端引出即得五进制计数器;如果将QA与CLKB相连,计数脉冲由CLKA输入,输出由QA~QB引出,即得8421码十进制计数器。因此,又称此电路为二——五——十进制计数器。
74LS290的引脚图、功能表如下图所示:

(1)1个下降沿触发的T触发器,形成模2计数器;
(2)3个下降沿触发的T触发器,组成的异步模5加法计数器;
(3)异步清0 只要S9(1)×S9(2)=0,R0(1)=R0(2)=1,就可使QAQBQCQD=0000,即异步清0。
(4)异步置9 只要S9(1)=S9(2),就可实现全且确切,即异步置9。
(二)CT74LS373
锁存器的原理图如下图

C是锁存器信号的输入端,D是数据输入端Q和Qo是数据互补输出端。当C=0时,G2被封锁,输出0,G3被封锁输出1。G5输出Q=D,Qo=Do(D和Do是数据互补)。当C由0变1时,分两种情况讨论:一是当C由0变1时,Qo=1,Q=0,G2被封锁,由于G3两个输入都为1,其输出为0。G4门也被封锁。G2门的输出Qo=1。原来的状态不改变。其二是当C由0变1时,Qo=0,Q=1。G2门的两输入均为1,则输出Qo=0,使Q=1。D无论是0还是1也不改变原来的状态。综合上述分析,可看出:C=0时,Q=D,电路不锁存数据,相当于缓冲器。当C=1时,D不影响电路状态。C由0变1时将数据D锁定并保持。直到C由1变回0。
CT74LS373是一种典型的8位锁存器,OC是三态输出控制,低电平有效。即此端加低电平时输入数据能达到输出端,加高电平时8个输出均呈高阻态,C是锁存器的锁存控制输入端。C下降沿锁存数据并低电平保持,高电不锁存,输入数据直达输出端。每个锁存器只有一个同相输出没有互补输出。
表1.2 CT74LS373功能表
输入 输出
OC C D Q
L H H H
L H L L
L L X Qo
H X X Z
表中第1、2行表示在OC为低电平、C为高电平时,Q随D变化,第三行表示OC和C都为低电平Q保持原状态QO不变。第四行表示OC为高电平时输出Q为高组态Z。
第二章 单元电路的设计和总体分析
2.1 毫秒信号的发生电路
由第一章知道,毫秒信号发生电路由NE555组成的多谐振荡器。需要的芯片有NE555P,还有电阻、电容。下面来讨论这些器件是怎样产生秒信号的。下图为其电路图:

振荡电路是数字秒表的核心部分,电容充放电的速度决定了电路的振荡频率R1 .R2 .C决定了多谐振荡器的周期,即决定了形成的方波的频率利用闭合回路中的负反馈作用可以产生自激振荡,利用闭合回路中的延迟负反馈作用也能产生自激振荡,只要负反馈作用足够强。为了得到频率更加准确的频率信号,加入了电容和电阻,其中电容为0.01微法,电阻为480K欧姆。
(一)振荡周期的计算
- 确定R1、R2、C的值;占空比:

- 按所设计的电路连线,测试
- 根据公式:
.
2.2分、秒、毫秒计数电路
显然,这部分电路可分成三小块组成,分别为毫秒部分、秒部分和分部分,在将这三部分进行一定的连接就可得到完整的分、秒、毫秒计数电路。
一、毫秒部分
该部分的实质是一个100进制的计数器,它的CP脉冲是前面生成的毫秒信号,它的清零信号可以作为向秒进位的进位信号。它需要的元件有74LS290。由上面1.4节可知74LS290是由一个二进制和一个五进制计数器两个独立部分组成的,两部分级联便成了 进制计数,用两个74290即组合成下面的100进制图:

由表1.1知当开关A接地时即S9(1)×S9(2)=0,R0(1)×R0(2)=0同时满足所有计数器处于计数状态,开始计数。每个74290的时钟输入端CLKB端与QA端相连组成十进制计数器,CLKA时钟信号接前一个74290的QD输出端组成异步十进制计数器。两个十进制的计数器相连接组成100进制计数器。同理可得出0.99秒的计数器。QA~QD的输出分别接到锁存器74373的输入端。当开关space接低电平时,锁存器锁存数据,同时锁存器将数据输出到7448码器的输入端。
在秒表电路中,译码器的输入信号就是锁存器的输出信号(即计数器的输出信号),译码器的输出端接主数码管,计数器输出的四位BCD码给译码器后,变成某个十进制数对应的控制电平,主驱动数码管发光,。
7448输出为一组七位二进制代码,输出高电平有效,正好与共阴极七段数码显示管BS202联结,这就是组成了计数译码显示电路可看出,7448输出为一组七位二进制代码,输出高电平有效,正好与共阴极七段数码显示管BS202联结,这就是组成了计数译码显示电路。显示译码器将输入的4位二进制数码QA、QB、QC、QD转换成不同高、低电平的组合状态输出,驱动七段数码管BS202显示0~9这十个数字中的任一个。如图2.6由表1.4知当开关A接Vcc时强制清0,所有计数器全部清0。重新开始计数

第三章 总体电路的设计与安装
3.1 PCB电路板的制作
(一)PCB制作的操作说明

5个G的计算机,电子专业书籍分享。
链接:https://pan.baidu.com/s/1y8BnUlGmiJMujLlTyrhznA
提取码:j9na
点击获取更多电子设计资源



版权声明:本文内容由互联网用户自发贡献,该文观点仅代表作者本人。本站仅提供信息存储空间服务,不拥有所有权,不承担相关法律责任。如发现本站有涉嫌侵权/违法违规的内容,请联系我们,一经查实,本站将立刻删除。
如需转载请保留出处:https://51itzy.com/kjqy/120234.html